

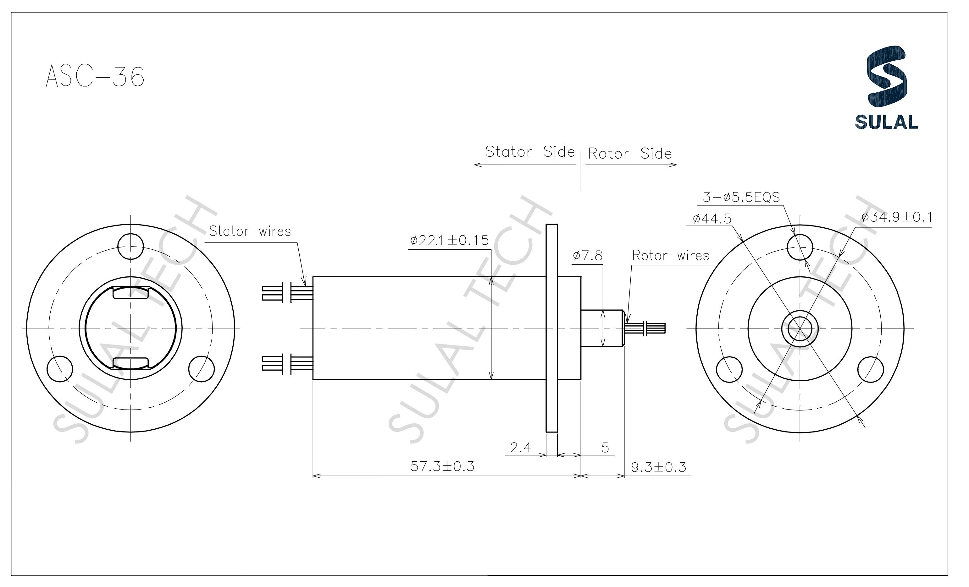
A slip ring is a device used in rotating systems to enable the transfer of electrical power or signals from a fixed structure to a rotating one. Also known as a rotary interface, electrical rotary joint, swivel connector, or rotating contact assembly, it helps streamline mechanical designs by allowing free rotation without tangled or strained wiring. This not only enhances system efficiency but also reduces the chance of wire damage caused by constant motion.

