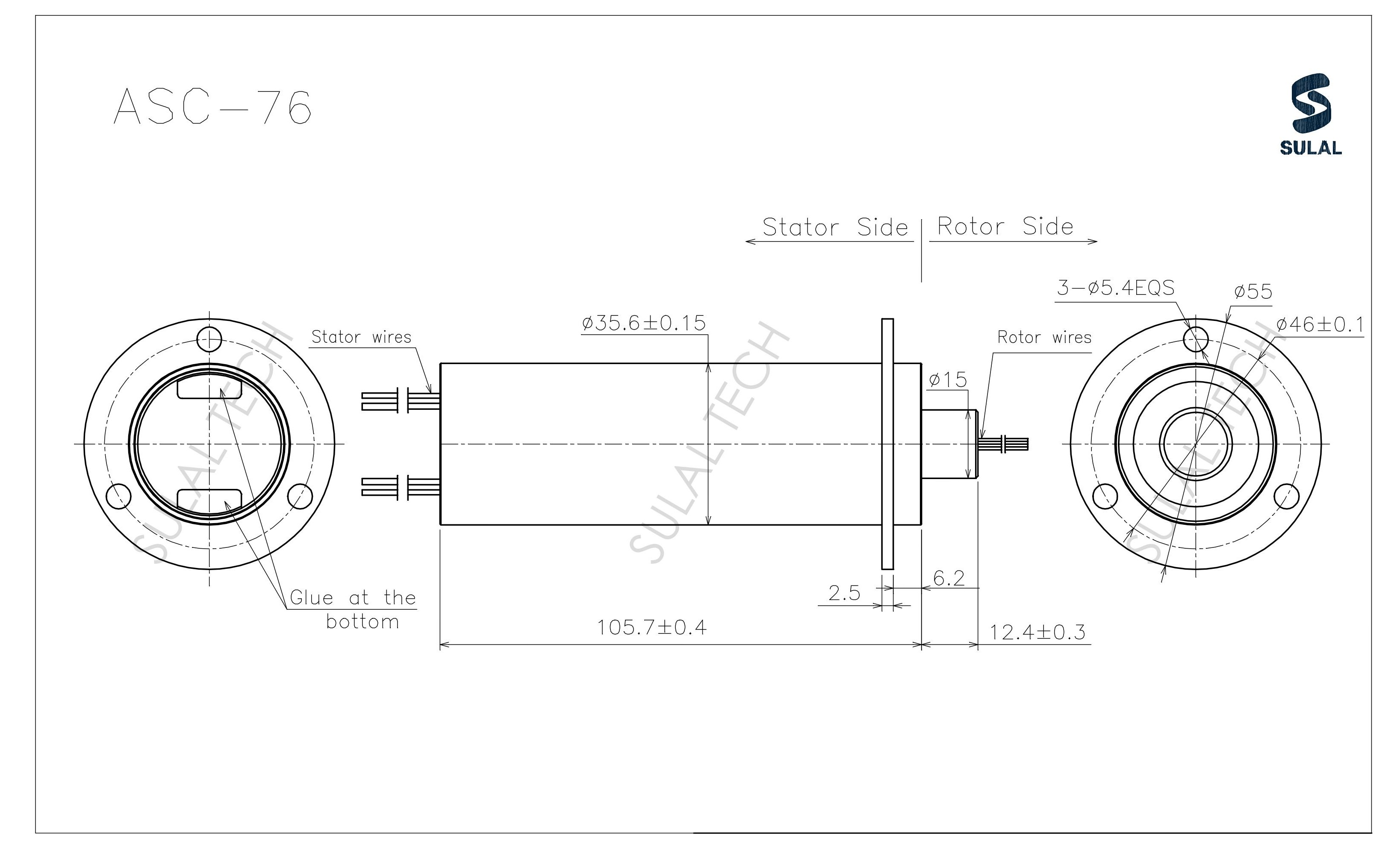
ASC-76 Capsule Slip Ring  main view

ASC-76 Capsule Slip Ring

  • Number of Circuits: 76 Circuits
  • Current: 2A
  • Voltage: 240Voltage [AC/DC]
  • Optional: It can provide high speed, long life, high protection slip ring customization, and integrate a variety of signals, such as Ethernet, USB, RS, LVDS, CANbus, FireWire, SDI, HDMI, etc.Consult immediately

A slip ring is a device used in rotating systems to enable the transfer of electrical power or signals from a fixed structure to a rotating one. Also known as a rotary interface, electrical rotary joint, swivel connector, or rotating contact assembly, it helps streamline mechanical designs by allowing free rotation without tangled or strained wiring. This not only enhances system efficiency but also reduces the chance of wire damage caused by constant motion.

Benefits :

  • Maintenance-free operation with extended service life
  • Supports both analog and digital data signals
  • Withstands harsh environments and industrial conditions
  • Customizable configurations to suit specific applications
  • Low contact resistance for high signal integrity
  • Minimal friction and wear for consistent performance
  • Operates efficiently over a wide temperature range
  • Lightweight and compact for easy integration
  • Ideal for high-speed rotary applications
  • Reliable transmission of power and signals during continuous rotation

Dimension Table

Dimension Table

ASC-76-Outline Drawing

ASC-76-Outline Drawing