

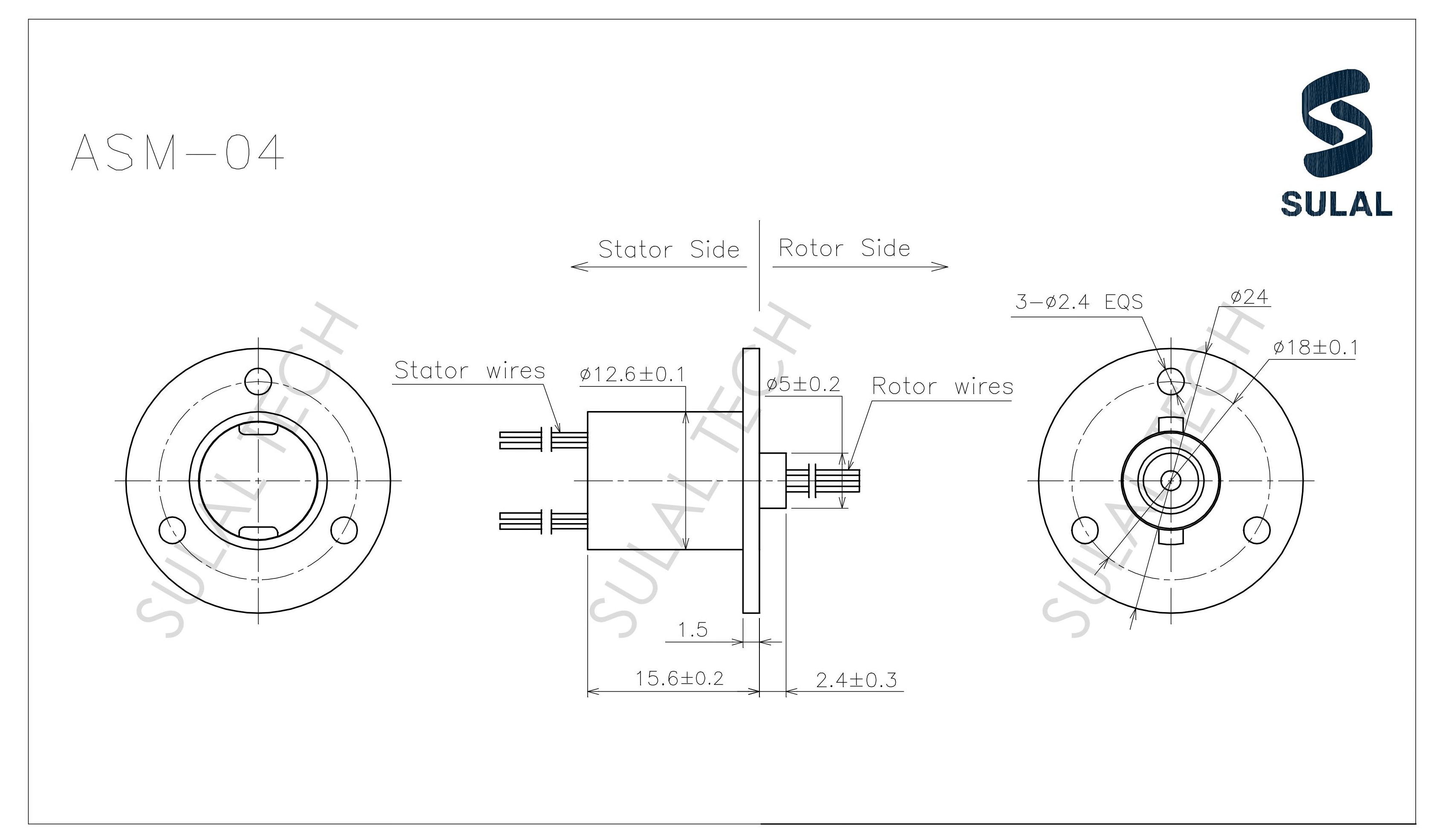
The ASM- Miniature Capsule Slip Ring is a compact rotary solution designed for continuous 360° rotation while transferring power or signals. Commonly referred to as a rotary joint, swivel, or commutator, it enhances reliability by eliminating cable twisting and reducing wear. Ideal for use in rotary tables, testing devices, and automation systems, it simplifies design while improving performance. Gold contacts at the rotating interface ensure stable, long-life operation. The unit features color-coded wires on both ends for straightforward connections. Available in 1 to 4 circuit configurations, the ASMS fits perfectly into space-constrained applications. It’s a ready-to-use, off-the-shelf component built for precision and durability.

