

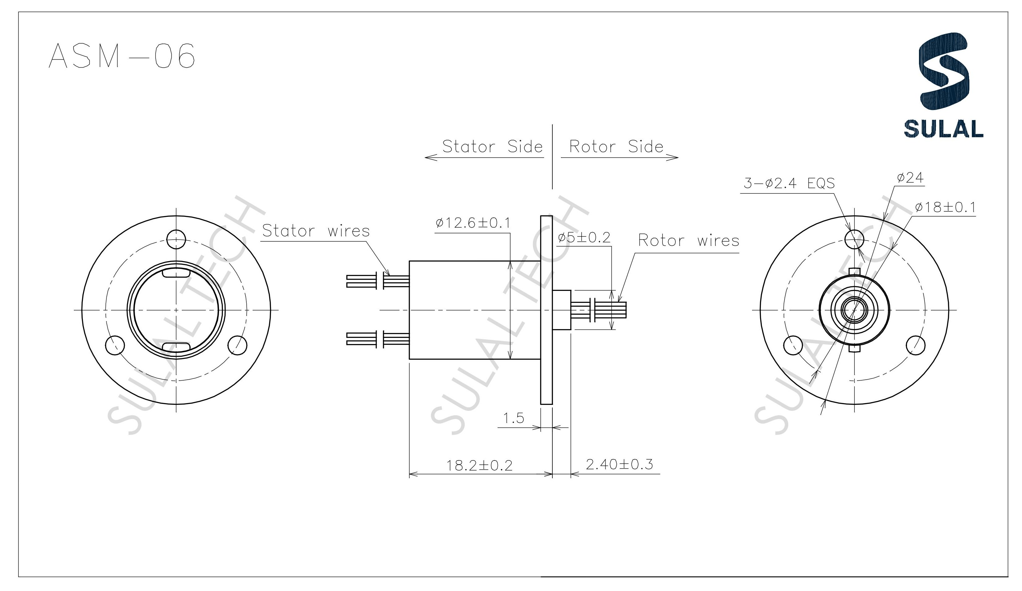
The ASM-06 is a small and ready-made slip ring used to transfer electrical signals from a stationary part to a rotating part. It uses gold contacts to ensure a good connection and long-lasting performance. The wires are color-coded on both sides to make it easy to connect. Its special ring design helps it rotate smoothly, with less friction and less electrical noise. This model comes in different versions, depending on how many wires (or circuits) you need—like 6, 12, 18, 24, 36, and up to 125.

