

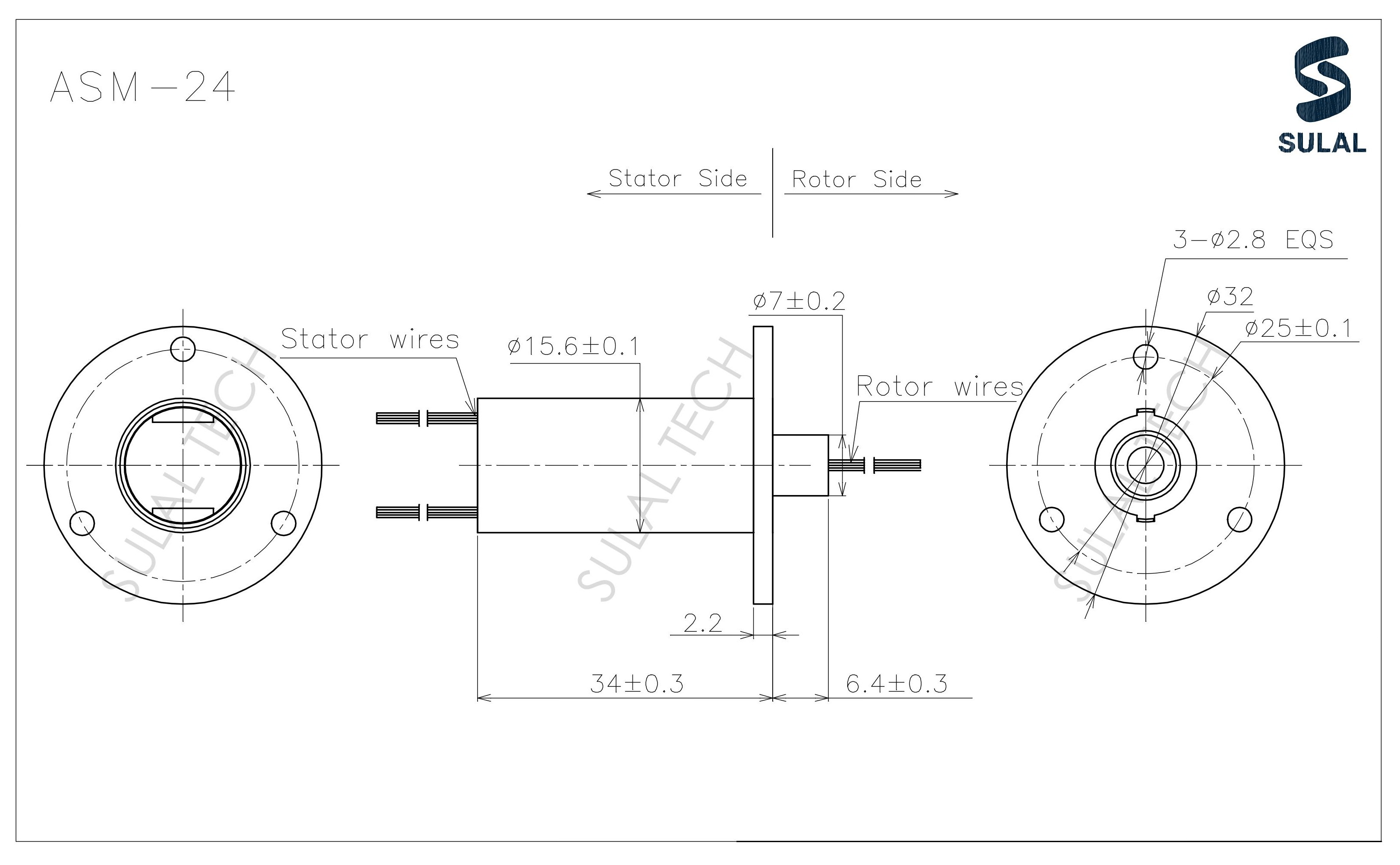
The ASM-24 slip ring is designed for devices that need to spin freely while still sending power or signals between moving and stationary parts. It’s a smart way to keep systems running smoothly without tangled wires, and it helps prevent wear and tear caused by rotation. This also makes the overall design cleaner and more efficient. This compact model uses gold contacts to ensure stable connections and longer-lasting performance. Both the rotating and fixed sides come with easy-to-identify, color-coded wires for quick and simple setup. Thanks to its small size, it’s perfect for use where space is limited. You can choose from multiple versions with 4, 6, 12, 18, 20, or 24 circuits depending on what your system needs.

